Доставка по всей России!
Ресивер аргона, назначение, описание, свойства
Ресивер аргона представляет собой специальную металлическую емкость, используемую для накопления, организации хранения газа, находящегося под давлением и дозированной выдачи. Контроль изготовления изделий регламентируется в соответствии с Техусловиями № 3615_001-24009276_2015.
Завод Резервуаров и Негабаритных Металлоконструкций специализируется на изготовлении и прямых поставках емкостного оборудования, в том числе – ресиверов для хранения аргона в сжатом состоянии. Все аппараты, спроектированные и реализованные компанией, успешно эксплуатируются на предприятиях самого широкого профиля.
Стандартизация
Емкость, изготовленная из металла и используемая при сборе и хранении сжатого аргона, проектируется и выпускается в строгом соответствии с рядом нормативно-технических документов:
|
Критерий |
Документ |
Номер |
|
Изготовление, общие требования |
ТУ |
3615-001-24009276 |
|
Требования к сейсмической устойчивости |
ГОСТ |
30546.1(2,3)-98 |
|
Климатическое исполнение |
-/- |
15150 |
|
Материал изготовления |
-/- |
5520 |
|
Марки стали |
ГОСТ Р |
52857.1 |
|
Обеспечение безопасности оборудования (в т.ч., работающего под давлением) |
ТР ТС |
010/2011
032/2-13 |
Сфера применения
Данные ресиверы активно используют (благодаря выгодной цене на газ) в составе технологических линий, где в процессе работы необходимо создавать и поддерживать инерционные условия.
Общие сведения
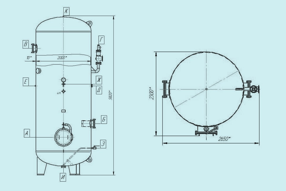
Ресиверы, предназначенные для хранения аргона, представляют собой стальные емкостные аппараты цилиндрической формы (могут устанавливаться как в вертикальном, так и в горизонтальном положении). Характерная особенность изделий – днища, имеющие эллиптическую форму. Установка корпуса осуществляется посредством опоры «юбочного» типа или на стандартных металлических лапках.
Основные тех. параметры
|
Характеристика |
Ед. изм. |
Показатель |
|
Вместимость |
м³ |
От до 200 |
|
Предназначенная для хранения среда |
- |
Газ - аргон |
|
Установка |
- |
Над уровнем грунта |
|
Давление в системе (рабочее) |
МПа |
Не более 1,2 |
|
Т рабочей среды |
°С |
От -60 до +300 |
|
Эксплуатационная Т |
°С |
От -50 до +55 |
|
Материал для изготовления |
сталь |
09Г2С, 12Х18Н10Т, 10Х17Н13М2Т, 16ГС |
|
Исполнение с учетом климатических особенностей |
|
У УХЛ Т |
|
Уровень сейсмоопасности |
балл |
До 9 |
|
Эксплуатационный срок службы |
лет |
Не менее 20 |
Основные параметры ресиверов
Объем изделий от 0,5 до 8 м³:
|
Типоразмер (В) |
V nom м³ |
P, МПа |
D, м |
S, мм |
Н, м |
H, м |
L, м |
|
0,5 |
0,5 |
0,9-1,5 |
0,6 |
6 |
2 |
1,5 |
0,4 |
|
1 |
1 |
0,8 |
8 |
2,3 |
1,7 |
0,5 |
|
|
1,6 |
1,6 |
0,10 |
10 |
2,3 |
1,6 |
0,6 |
|
|
2 |
2 |
0,10 |
10 |
2,9 |
2,2 |
0,61 |
|
|
3,2 |
3,2 |
0,12 |
12 |
3,1 |
2,3 |
0,72 |
|
|
4 |
4 |
0,12 |
12 |
3,9 |
3 |
0,72 |
|
|
8 |
8 |
0,16 |
16 |
4,4 |
3,3 |
0,94 |
Объем изделий от 10 до 50 м³:
|
Типоразмер (В) |
V nom м³ |
P, МПа |
D, м |
S, мм |
Н, м |
H, м |
L, м |
|
10 |
10 |
0,9-1,5 |
1,6 |
8 … 12 |
5,5 |
4,4 |
0,94 |
|
16 |
16 |
2 |
10 … 14 |
5,5 |
4,2 |
1,2 |
|
|
20 |
20 |
2 |
10 … 14 |
6,9 |
5,4 |
1,2 |
|
|
25 |
25 |
2,2 |
10 … 16 |
7,2 |
5,6 |
1,3 |
|
|
32 |
32 |
2,4 |
12 … 16 |
7,8 |
6 |
1,4 |
|
|
40 |
40 |
2,4 |
12 … 16 |
9,8 |
8 |
1,4 |
|
|
50 |
50 |
2,4 |
12 … 16 |
11,8 |
10 |
1,4 |
Таблица штуцеров
|
Назначение |
Параметр |
|
Входной |
50; 100; 200; 250; 300; 350 |
|
выходной |
50; 100; 200; 250; 300; 350 |
|
Для установки предохранительного клапана |
25; 50; 80; 100; 150 |
|
Сброс конденсата |
50 |
|
Воздух |
|
|
Дренажная система |
|
|
Регулировка |
|
|
Установка датчика давления |
|
|
Манометр в машинном отделении |
|
|
Лучок |
80/450 |
Завод РиНМ обеспечивает поставку ресиверов аргона по ценам производителей, изготовленные из стали высокого качества по типовым чертежам и схемам, а также – с учетом индивидуальных требований клиента и специфики используемого объекта!
Цены от производителя
Гарантия качества
Комплектация объектов под ключ
Производим монтаж/демонтаж
Оперативная доставка в любой регион
Быстрые сроки поставки,
четкое соблюдение сроков
Персональный подход
Гарантийное обслуживание
Разработка КМД от 2-х
рабочих дней
Составление КП от 15 минут
Подготовим коммерческое предложение
с учетом ваших индивидуальных технических требований
|
ОБОЗНАЧЕНИЕ |
НАЗНАЧЕНИЕ |
|---|---|
|
А |
люк-лаз |
|
Б |
для входа |
|
В |
для выхода |
|
Г |
для предохранительного клапана |
|
Д |
для регулятора производительности |
|
Е |
для манометра |
|
Ж |
для манометра |
|
З |
для слива конденсата |
|
И |
дренажный |
|
К |
резервный |
Чтобы избавить Вас от необходимости поиска логистической компании, мы готовы взять на себя работу по осуществлению доставки оборудования на Ваш объект.
Преимущества осуществления доставки при помощи нашей компании:
Свяжитесь с нашим менеджером по телефону или через форму сайта и мы подготовим для Вас расчет.